Компания Yangzhou Yangjie Electronic Technology объявила о пополнении серии MG200HF12 новым IGBT-модулем MG200HF12TLC3 (рисунок 1) в более компактном корпусе C3 (рисунок 2). Он предназначен для работы в высокочастотных применениях силовой электроники, таких как управление двигателем, бесперебойные источники питания, сварочные аппараты и подобное. Модуль совместим по выводам с аналогами других производителей и соответствует стандартам RoHS.
Особенности MG200HF12TLC3:
- рабочие напряжение и ток до 1200 В и 200 А;
- рабочая температура кристалла до 175°C;
- малое напряжение насыщения перехода "коллектор-эмиттер";
- встроенные ультрабыстрые защитные диоды;
- способность выдерживать ток короткого замыкания длительностью до 10 мкс;
- изоляционная подложка конструкции DBC (Direct Bonded Copper).

Рис. 1. Внешний вид модуля MG200HF12TLC3

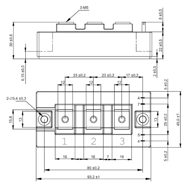
Рис. 2. Схема корпуса форм-фактора C3 для модуля MG200HF12TLC3
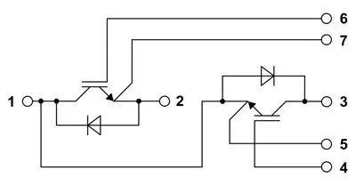
MG200HF12TLC3 построен по полумостовой топологии и представляет собой два IGBT-транзистора с шунтирующими диодами. Внутреннее устройство и назначение выводов модуля показано на рисунке 3. Некоторые технические характеристики приведены в таблице 1.

Рис. 3. Схема модуля MG200HF12TLC3
Таблица 1. Характеристики MG200HF12TLC3 производства компании YANGJIE

Источник: www.compel.ru
