Семейство MIPAQ™ Pro от Infineon представляет собой полностью протестированные и квалифицированные силовые сборки, состоящие из IGBT модулей, расположенных на охладителе жидкостного или воздушного типа, драйверов управления силовыми ключами, датчиков, цифровых элементов контроля и управления, а также шины коммуникации Modbus. Конфигурация соединения силовых ключей внутри сборок – полумост, рабочее напряжение 1200 В и 1700 В. На данный момент, доступны варианты исполнения с номинальным током 2400 А, с воздушным и жидкостным охлаждением. Также запланировано расширение линейки MIPAQ™ Pro сборками на 1800 А с двумя вариантами охлаждения.
Концепция интеллектуальных силовых сборок MIPAQ™ Pro позволяет легко соединять до 4-х блоков параллельно, таким образом, упрощая масштабируемость преобразователя. При параллельной работе применена концепция Master-Slave, что значительно упрощает реализацию такого соединения. К системе управления, в данном случае, подключается только Master MIPAQ™ Pro. Сборки обладают сравнительно небольшим весом и простой системой подключения к интерфейсу управления и диагностики (разъем горизонтально ориентирован и расположен внутри габаритов блока, что позволяет эффективно использовать пространство при построении преобразователя), таким образом, монтаж силовой части может производиться всего одним человеком.

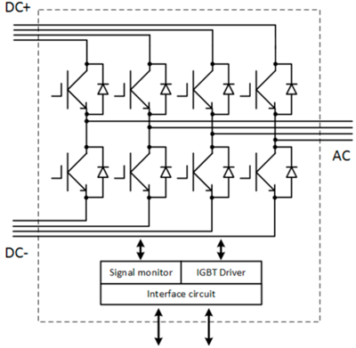
Блок схема силовых сборок MIPAQ™ Pro
Основой надежности силовых блоков являются IGBT чипы 4-го поколения, а также технологии TIM (Thermal Interface Material) и PressFIT от Infineon. Силовые cборки оснащены широким набором защит и диагностических функций. С помощью датчиков контролируется ток, напряжение и данные с NTC. На основе этих данных высчитываются статические и динамические потери для IGBT и диода. Далее с помощью этой информации, а также матрицы время зависимых значений Zth высчитывается температура p-n перехода IGBT и диода. Данный инновационный метод контроля параметров преобразователя позволяет расширить область безопасной работы, включая работу у самых ее границ при TVJ=150 °C. Уровни срабатывания защит могут быть сконфигурированы пользователем.

Настраиваемая область безопасной работы сборок MIPAQ™ Pro
Наименование | Охлаждение | Номинальное выходное напряжение (VRMS) | Номинальный выходной ток (ARMS) | Топология |
IFF2400P17LE4 | Liquid | 690.0 | 1550.0 | Полумост |
IFF1800P17LE4 | Liquid | 690.0 | В разработке | Полумост |
IFF2400P17AE4 | Air | 690.0 | 650.0 | Полумост |
IFF1800P17AE4 | Air | 690.0 | В разработке | Полумост |
Особенности линейки MIPAQ Pro
- высокая интеграция (законченная силовая сборка);
- широкий набор диагностических функций и защит;
- расчет температуры TVJ в режиме реального времени;
- управление и диагностика по Modbus;
- возможность параллельной работы до 4-х сборок;
- чип безопасности для идентификации семейства OPTIGA™ Trust.
- Семейство MIPAQ™ Pro применяется в частотных приводах различного назначения.
Источник: www.compel.ru
