Термисторные реле перегрузки предназначены для комплексной защиты оборудования. Одно небольшое устройство вмещает в себя множество защитных функций – защита от перегрева, от пониженного/повышенного напряжения, от слишком частых включений/выключений оборудования.
Базовый элемент реле – термистор, который располагается на обмотке двигателя. При температуре выше номинальной термисторный элемент подает сигнал на реле, которое замыкает/размыкает контакты, при этом загорается светодиод на корпусе прибора. Кроме контроля за нормальной работой электродвигателей, реле может применяться для отслеживания температуры любых других механизмов и материалов – подшипников, редукторов, масел, жидкостей и т.д.
Реле серии EMT6 от EATON имеет сертификаты различных международных организаций (IEC/EN 60947, VDE 0660, EN 55011) и может использоваться для защиты взрывозащищенных двигателей. Для максимальной безопасности питающая и термисторная цепи гальванически развязаны между собой. Помимо монтажа на DIN-рейку, возможно крепление на плату с помощью адаптера CS-TE.
Реле EMT6 делятся на три группы, отличающихся друг от друга набором функций:
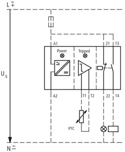
- EMT6 – младшая модель. Отличается отсутствием автоматического сброса. На корпусе есть два светодиодных индикаторы питания и срабатывания. Имеет защиту от короткого замыкания в цепи датчика;
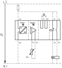
- EMT6-DB имеет переключатель автоматического/ручного сброса и кнопку тестирования;
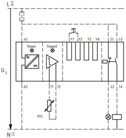
- EMT6-BDK – многофункциональный прибор, позволяющий работать с любыми типами термисторов, что позволяет облегчить подбор оборудования. К вышеперечисленным функциям добавлена защита от пониженного напряжения. Функции защиты от короткого замыкания и снижения напряжения можно отключить.
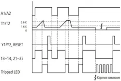
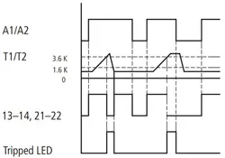
Электрические схемы и алгоритмы работы:
EMT6 | |
|
|
EMT6-DB | |
|
|
EMT6-DBK | |
|
|
Источник: www.compel.ru



