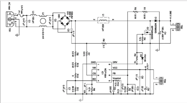
Контроллер корректора коэффициента мощности NCP1654 с непрерывным режимом работы (ССМ) - следующая ступень развития контроллера NCP1653. Это устройство управляет временем проводимости ключа (ШИМ), которое зависит от мгновенного значения тока катушки. Микросхема NCP1654 выполнена в корпусе SOIC-8, с доступными частотами 65, 133 и 200 кГц и требует минимального количества внешних компонентов. NCP1654 обладает быстрой реакцией на броски по питанию, что обеспечивает надежную работу устройства. Интегрированные функции защиты, включая BrownOut, делают устройство защищенным и компактным решением для коррекции коэффициента мощности. Микросхема NCP1654 pin-to-pin совместима с аналогичными стандартными устройствами.

Схема включения NCP1654
Отличительные черты:
- минимум внешних компонентов
- программируемая защита от превышения по тою
- детектор состояния сети BrownOut
- защита от перенапряжения
- "мягкий" старт
- режим непрерывной работы
- режим работы на среднем/пиковом токе
- программируемое ограничение превышения по мощности
- shutdown
- защита от скачков по току
Источник: www.compel.ru
