Компания Infineon расширила семейство силовых модулей Eco Line вторым поколением модулей с шириной основания 34 мм. Приборы доступны на напряжение до 1600 В с рабочими токами до 190 А. Силовые модули предназначены для использования в источниках питания, бесперебойных источниках UPS, сварочных аппаратах и электроприводах.
Модули относятся к Solder Bond семейству, в котором внутренние соединения выполнены с помощью алюминиевых проводников. В отличие от стандартных приборов с изолированным основанием, в них отсутствует прижимное устройство, что позволяет сделать их более конкурентными по цене. Качество пайки полностью контролируется с помощью рентгена, вследствие чего достигается высокое качество продукта и увеличивается время безотказной эксплуатации. Также инженеры Infineon переработали конструкцию силовых выводов, благодаря чему достигается более симметричное распределение токов.
Приборы семейства Eco Line представляют собой сдвоенные модули с топологиями тиристор/тиристор, тиристор/диод и диод/диод. Рабочие напряжения варьируются в диапазоне до 1600 В, рабочие токи от 60 до 130 А для 20 мм корпусов, от 160 до 190 А для 34 мм и от 280 до 330 А для 50 мм. 34 и 50 мм тиристорные и тиристорно-диодные модули также доступны с классом напряжения 1800 В, диодные - с рабочим напряжением 2000 и 2200 В.

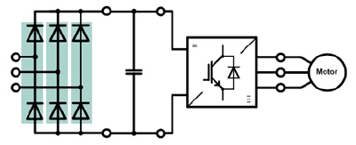
Применение в качестве выпрямителя в составе инвертора

Применение в выпрямителе и байпасном элементе UPS

Применение в качестве бесконтактного коммутатора

Применение в устройствах плавного пуска двигателей
Преимущества модулей Eco Block
- высокая эффективность и увеличенный срок службы, благодаря усиленному контролю качества продукта;
- конкурентная цена;
- изолированное медное основание для большей перегрузочной способности по току и легкости монтажа;
- улучшенная конструкция выводов, более симметричное распределение токов;
- механически прочная конструкция.
Тиристорные модули
Наименование | Корпус | ВDRM / ВRRM | ITAВM | ITSM |
TT60N16SOF | 20 мм | 1600 В | 55 A | 1200 A |
TT120N16SOF | 20 мм | 1600 В | 120 A | 2250 A |
TT160N18SOF | 34 мм | 1800 В | 160 A | 4500 A |
TT160N16SOF | 34 мм | 1600 В | 160 A | 4500 A |
TT190N18SOF | 34 мм | 1800 В | 190 A | 4500 A |
TT190N16SOF | 34 мм | 1600 В | 190 A | 4500 A |
TT280N18SOF | 50 мм | 1800 В | 280 A | 7800 A |
TT280N16SOF | 50 мм | 1600 В | 280 A | 7800 A |
TT320N18SOF | 50 мм | 1800 В | 320 A | 8200 A |
TT320N16SOF | 50 мм | 1600 В | 320 A | 8200 A |
TT320N16SOF_TIM | 50 мм | 1600 В | 320 A | 8200 A |
Тиристорно-диодные модули
Наименование | Корпус | ВDRM / ВRRM | ITAВM | ITSM |
TD60N16SOF | 20 мм | 1600 В | 55 A | 1200 A |
TD120N16SOF | 20 мм | 1600 В | 120 A | 2250 A |
TD160N18SOF | 34 мм | 1800 В | 160 A | 4500 A |
TD160N16SOF | 34 мм | 1600 В | 160 A | 4500 A |
TD190N18SOF | 34 мм | 1800 В | 190 A | 4500 A |
TD190N16SOF | 34 мм | 1600 В | 190 A | 4500 A |
TD280N18SOF | 50 мм | 1800 В | 280 A | 7800 A |
TD280N16SOF | 50 мм | 1600 В | 280 A | 7800 A |
TD320N18SOF | 50 мм | 1800 В | 320 A | 8200 A |
TD320N16SOF | 50 мм | 1600 В | 320 A | 8200 A |
TD320N16SOF_TIM | 50 мм | 1600 В | 320 A | 8200 A |
Диодные модули
Наименование | Корпус | ВDRM / ВRRM | ITAВM | ITSM |
DD100N16S | 20 мм | 1600 В | 130 A | 2000 A |
DD180N22S | 34 мм | 2200 В | 192 A | 5000 A |
DD180N20S | 34 мм | 2000 В | 192 A | 5150 A |
DD180N18S | 34 мм | 1800 В | 192 A | 5150 A |
DD180N16S | 34 мм | 1600 В | 192 A | 5150 A |
DD340N22S | 50 мм | 2200 В | 330 A | 8500 A |
DD340N20S | 50 мм | 2000 В | 330 A | 8500 A |
DD340N18S | 50 мм | 1800 В | 330 A | 8500 A |
DD340N16S | 50 мм | 1600 В | 330 A | 8500 A |
Источник: www.compel.ru
