Компания Teledyne LeCroy представила новую серию цифровых осциллографов WaveRunner 8000R с полосами пропускания от 500 МГц до 4 ГГц, в которой значительно расширен набор инструментов обработки и анализа сигналов, позволяющих значительно ускорить процесс поиска и отладки. Конкурентоспособность новой серии WaveRunner 8000R обеспечивается беспрецедентными для отрасли насыщенностью и функциональностью средств наблюдения, анализа и обработки. В серии WaveRunner 8000R дебютирует архитектура MAUI следующего поколения. MAUI® (Most Advanced User Interface) – технология построения интерфейса пользователя, оптимизирующая процессы настройки и измерений с дисплеями touchscreen. В новой версии MAUI интегрирована функция "в одно касание" (OneTouch), значительно облегчающая настройку режимов измерений и существенно сокращающая временные затраты на комплексный анализ сложных сигналов.

Waverunner 8404MR-MS


Конкурентоспособность
В стандартный набор поставки осциллографов WaveRunner 8000R входит пакет средств математики, измерений, отладки и документирования, который обеспечивает лучшие в отрасли возможности анализа. Пакеты специализированных приложений (опции) расширяют возможности использования WaveRunner 8000R на этапах разработки и выходного контроля. Данные опции включают цифровые фильтры, анализатор спектра, анализ источников питания и прочие. Возможности задания пользовательских настроек и расширенные функции математической обработки обеспечивают пакеты опций уникальными и, по сути, безграничными аналитическими свойствами. Максимальные набор и функциональность средств отображения и анализа гарантируют быстрое решение самых сложных задач отладки с использованием WaveRunner 8000R.
Беспрецедентная эргономика управления
Новая версия MAUI WaveRunner 8000R поддерживает развитие уже ставший традиционным подход Teledyne LeCroy к инновационным решениям по совершенствованию пользовательского интерфейса. Технология управления "в одно касание" (One Touch) значительно ускоряет выполнение стандартных операций путем однократного прикосновения к соответствующей области дисплея. Данная технология, используя прогрессивный метод drag-and-drop (перетащить и зафиксировать), позволяет, не отрывая палец от экрана, копировать и настраивать каналы, математические функции и параметры измерений. Использование жестов управления, таких как, перетаскивание, фиксация, сжатие, щелчок (flick), делает взаимодействие с осциллографом простым и интуитивно понятным. Функция "Add New" (Добавить Новый) позволяет быстро включать новый канал, функцию математики или параметр измерения, а выключается осциллограмма или параметр щелчком. Интеграция в MAUI жестов управления тачскрин значительно облегчает процесс настройки осциллографа и делает работу с ним доступной на интуитивном уровне.
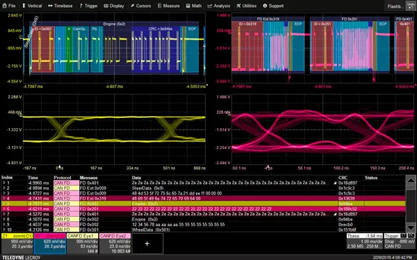
Уникальные инструменты анализа последовательных данных
В новой серии WaveRunner 8000R компания Teledyne LeCroy в качестве опций предлагает программы тестирования последовательных данных в широком функциональном диапазоне: от контроля соответствия стандартам до гибких инструментов отладки. Совокупность пакетов ПО для измерения параметров протоколов и построения глазковых диаграмм обеспечивают уникальные возможности анализа аномалий в последовательных данных. Эти программы логически дополняют наиболее развитую в отрасли систему синхронизации и декодирования, позволяющую извлекать данные из потока и строить временные графики зависимости, выполнять синхронизированные измерения на шине, строить глазковые диаграммы для тестирования на соответствие стандартам, либо пользовательским шаблонам. Модели с индексом –MS (WaveRunner 8000R-MS) в своем составе имеют логический 16-канальный анализатор, который может быть использован для синхронизации, декодирования и измерения зависимых от времени параметров цифровых сигналов или для отладки их источников. Это позволяет параллельно использовать аналоговые каналы для наблюдения событий на физическом уровне.
Максимальная дискретизация и память в моделях с индексом "М"
Являясь лидером отрасли по величине частоты дискретизации 40 Гвыб./с, модели WaveRunner 8000RM позволяют максимально достоверно воспроизводить фронты импульсов даже в случае, когда сигнал имеет минимальное время нарастания. При этом, длинная память обеспечивает максимальную дискретизацию на значительно большем интервале временных разверток. Глубина памяти 128 Мвыборок – идеальный вариант для отладки последовательных высокоскоростных шин на длительном интервале наблюдения.
