Щитовые термостаты используются для контроля за микроклиматом внутри электрощитов. Они гарантируют включение нагревателя при понижении температуры ниже уровня уставки и включение вентилятора при повышении температуры выше уровня уставки.
Серия 7T81 производства итальянской компании Finder представляют из себя простые термостаты с одним выходом, поэтому могут работать либо на нагрев (имеют на фронтальной панели красный уставочный диск), либо на охлаждение (синий уставочный диск). От устаревшего поколения термостатов они отличаются стандартным модульным конструктивом шириной 17.5 мм и повышенным числом рабочих циклов.
Из-за своей простой конструкции цена на термостаты поддерживается на бюджетном уровне, что позволяет использовать их в небольших проектах.
Технические характеристики:
- небольшой размер;
- повышенная реакция на отклонение электрических параметров от нормы;
- работа на базе биметаллического датчика;
- широкий выбор температурных уставок: 0…+60°C для 7T8100002403, 7T8100002303 и -20…+40°С для 7T8100002401, 7T8100002301;
- монтируется на стандартную DIN-рейку.
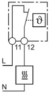
| Включение обогрева (1 NC контакт) | Переключение в режиме нагрева | Схема подключения в режиме обогрева |
![]() | ![]() | ![]() |
| Включение охлаждения (1 NO контакт) | Переключение в режиме охлаждения | Схема подключения в режиме охлаждения |
![]() | ![]() | ![]() |

Расшифровка наименования
Источник: www.compel.ru






