TLE5501– новый датчик угла поворота от компании Infineon, построенный на базе технологии TMR (tunnel magnetoresistance). Использование технологии TMR позволило в несколько раз повысить чувствительность и обеспечить лучшую точность и стабильность во всем диапазоне рабочей температуры в сравнении с сенсорами типов AMR и GMR.
Датчик доступен в двух исполнениях: E0001 (соответствует AEC-Q100) и E0002 (соответствует ISO 26262 ASIL D) и не нуждается в дополнительном усилении сигнала при подключении к АЦП внешнего микроконтроллера в отличие от других датчиков, например, TLE5009.
Области применения:
- Автомобильная промышленность;
- Датчик поворота рулевого колеса;
- Управление периферией (дворники, насосы, приводы и т.д.);
- Датчик углового положения;
- Системы безопасности;
- Робототехника;
- Электродвигатели;
- Промышленные приложения.

Внешний вид датчика TLE5501
Характеристики:
- Основан на технологии TMR (туннельное магнитосопротивление);
- Пределы измерения 360°;
- Большой размах выходного напряжения 0,37 В/В (для непосредственного подключения к MCU);
- Диапазон магнитного поля 20…100 мТл;
- Погрешность измерения <1,0° во всем температурном диапазоне;
- Версии E0001 и E0002:
- E0001: соответствует AEC-Q100 (QM), совместим с TLE5009,
- E0002: соответствует ISO26262 ASIL-D.

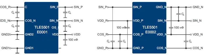
Схема включения TLE5501 E0001 и E0002
Источник: www.compel.ru
