Мощный линейный регулятор TPS7A45 от Texas Instruments оптимизирован для работы с быстро изменяющейся нагрузкой. Этот LDO способен обеспечить максимальный ток в нагрузке до 1.5 А при минимальном допустимом падении напряжения вход-выход около 350 мВ.
TPS7A45 обладает минимальными собственными шумами и может быть применен для питания чувствительных цепей радиотрактов и радиомодулей.
Собственное потребление регулятора TPS7A45 составляет не более 1 мА. Для выключения микросхемы имеется дополнительный вход shutdown, при активации которого потребление снижается до 1 мкА.

Осциллограмма реакции выходного напряжения на быструю нагрузку 1А
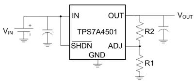
Уровень выходного напряжения может быть в пределах 1.2…20 В. Конкретное значение выходного напряжения настраивается с помощью резистивного делителя (для регулируемой версии) или путём выбора микросхемы с фиксированным выходным напряжением.
В состав TPS7A45 входит защита от подключения питания обратной полярности (по входу) и защита от обратного тока (по выходу).
TPS7A45 выпускается в двух типах корпуса: SOT-223 (6) и TO-263 (5). Данная микросхема найдет свое применение в индустриальных устройствах, беспроводных сетях и радиочастотных системах.

Схема включения TPS7A45
Основные параметры:
- Максимальный выходной ток: 1.5 А;
- Погрешность регулирования: <1% (25°С);
- Номинальное падение напряжения: 300 мВ;
- Шум: <35 мкВ (10 Гц..100 кГц);
- Коэффициент подавления пульсаций: 68 дб;
- Собственное потребление: <1 мА;
- Ряд выходных напряжений: 1.5 В, 1.8 В, 2.5 В, 3.3 В или регулируемая версия;
- Собственное потребление в режиме Shutdown: <1 мкА;
- Работа с керамическим конденсатором на выходе;
- Защита по входу от питания обратной полярности;
- Защита по выходу от обратного тока;
- Защита от превышения выходного тока;
- Термозащита.
Источник: www.compel.ru
