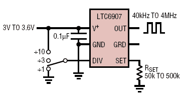
LTC6907CS6 – компактный и простой в применении прецизионный программируемый генератор. На частоте 400кГц LTC6907 потребляет всего 36мкА от источника 3В. Генерируемая частота программируется единственным резистором в диапазоне 10:1 с первоначальной точностью лучше 0,65%. Выходная частота может быть поделена на 1,3 и 10 для расширения общего частотного диапазона до 100:1, то есть от 40кГц до 4МГц. Рассчитать выходную частоту LTC6907 можно с помощью простейшей формулы:

где RSET – величина сопротивления частотозадающего резистора (от 50кОм до 500кОм).
Отличительные особенности:
ток потребления: 36мкА на 400кГц;
точность частоты 1% (в диапазоне 0°C…+70°C);
частотный диапазон: 40кГц…4МГц;
для установки частоты требуется только один резистор;
время запуска генератора: 200мкс на 4МГц;
выходной CMOS-драйвер;
температурный диапазон: -40°C…+85°C;
корпус TSOT-23.
Типовая схема включения LTC6907 приведена ниже.

Области применения: недорогие прецизионные программируемые генераторы, компактная замена кварцевого и керамического генератора, портативные и экономичные применения с жесткими требованиями к виброустойчивости, КПК и сотовые телефоны.
Источник:terraelectronica
