ADA-4789-BLKG – недорогой и простой в применении биполярный СВЧ-усилитель в миниатюрном корпусе SOT-89. Внутренняя структура усилителя, выполненного по схеме Дарлингтона, обладает всеми присущими ей качествами в полезном диапазоне частот до 2,5ГГц. ADA-4789 при однополярном питании и токе 40...80мА обеспечивает стабильную работу и плоскую АЧХ до 1ГГц в согласованных на 50Ом РЧ- и ПЧ-трактах.

Отличительные особенности:
усилитель слабых сигналов;
частотный диапазон: 0...2,5ГГц;
абсолютно стабильная работа;
согласованные на 50Ом вход и выход усилителя;
плоская АЧХ в диапазоне до 1ГГц;
рабочие токи: 40...80мА;
однополярное питание;
корпус SOT-89.
Характеристики:
900МГц, 3,80В, 60мА:
16,50дБ - общее усиление,
17,10дБм - P1дБ,
32,60дБм - OIP3,
4,20дБ уровень шума;
900МГц, 4,10В, 80мА:
16,90дБ - общее усиление,
18,80дБм - P1дБ,
33,20дБм - OIP3,
4,30дБ - уровень шума.
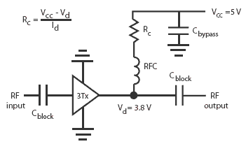
Типовая схема включения ADA-4789 приведена ниже.

Области применения: базовые станции сотовых сетей связи, сети беспроводной передачи данных (WLAN), оптоволоконные системы связи, радиосистемы ISM-диапазонов.
Источник:terraelectronica
