Компания Infineon расширила семейство PIM (PIM – Power Integrated Module) новым модулем в корпусе EconoPIM™ 3 12-го класса на ток 150 А. Диоды входного моста рассчитаны на напряжение 1600 В. Силовой модуль линейки EconoPIM™ относится к интегрированным приборам, состоящим из входного диодного моста, транзистора (выполняющего роль чоппера), трехфазного инвертора и NTC датчика.
Семейство EconoPIM™ компании Infineon включает в себя приборы на напряжение 650 В, 1200 В и 1700 В и токи от 25 А до 150 А. Модули представлены в двух типах корпусов EconoPIM™ 2 и EconoPIM™ 3 и могут поставляться с нанесенным на основание теплопроводящим материалом TIM (Thermal Interface Material). В приборах линейки применяются кристаллы Trenchstop™ IGBT4 с Tvjop= 150 °C, что позволяет добиться высокой плотности мощности в высокоинтегрированном силовом устройстве.

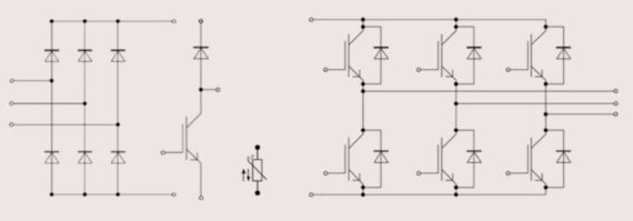
Схема внутренних соединений модуля EconoPIM™

Линейка модулей EconoPIM™
Модули доступны в двух вариантах исполнения присоединительных контактов – PressFit и с обыкновенными контактами под пайку.
Наименование | IC(nom) / IF(nom), А | VCES / VRRM, В | Корпус | VCE(sat)(Tvj=25°C), В | VF(Tvj=25°C), В | Тип выводов |
FP150R12KT4 | 150 | 1200 | EconoPIM 3 | 1,75 | 1,7 | Solder |
FP150R12KT4_B11 | 150 | 1200 | EconoPIM 3 | 1,75 | 1,7 | PressFIT |
Особенности модулей EconoPIM 3
- Высокая интегрированность решения;
- Кристаллы Trenchstop IGBT4;
- Широкая линейка модулей PIM (600-1700В/15-150А);
- Доступно исполнение с нанесенной пастой TIM (Thermal Interface Material);
- Два варианта модулей – с контактами под пайку и PressFit.
Целевые применения
- Частотный привод;
- Источники бесперебойного питания.
Источник: www.compel.ru
