Компания ЭЛТЕХ предлагает AD7605-4 – 16-разрядную четырехканальную систему сбора данных на основе АЦП последовательного приближения.
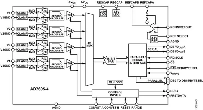
AD7605-4 содержит схему защиты входов от "защелкивания", буферы, антиалайсинговый фильтр второго порядка, схему выборки-хранения, 16-разрядный АЦП последовательного приближения, источник опорного напряжения на 2.5 В с дополнительным буфером. Вывод данных осуществляется по последовательному или параллельному интерфейсу.
Микросхема AD7605-4 работает с напряжением питания 5 В, и осуществляет ввод аналоговых сигналов в диапазоне ±5 В и ±10 В с последующей оцифровкой на скорости до 300 kSPS.

AD7605-4
Выходной импеданс равно 1 Мом вне зависимости от скорости работы АЦП.
Микросхема AD7605-4 выпускается в 64-выводном LQFP корпусе размерами 10×10 мм, и работает в диапазоне температур -40°С …+85°C.
Для тестирования возможностей AD7605-4 выпускается оценочная плата EVAL-AD7605-4SDZ, используемая с платой-контроллером (на основе процессора ADSP-BF527) EVAL-SDP-CB1Z.
Области применения AD7605-4:
- аппаратура мониторинга энергосетей и релейной защиты
- системы сбора данных
- контрольно-измерительная техника.
Для заказа образцов и отладочных комплектов, вы можете обращаться в компанию ЭЛТЕХ по e-mail.
Источник: www.eltechspb.by
