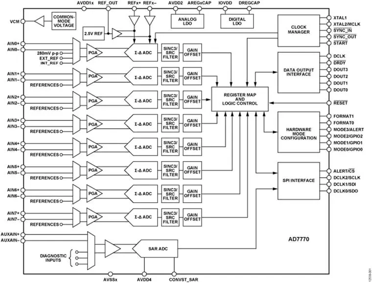
Компания ЭЛТЕХ предлагает AD7770 восьмиканальный 24-разрядный сигма-дельта АЦП одновременной выборки с программируемым усилителем с высоким входным импедансом и преобразователем частоты дискретизации с малой задержкой в каждом канале. Входящие в состав AD7770 усилители с программируемым коэффициентом усиления (PGA) обеспечивают четыре возможных значения коэффициента усиления (1,2,4,8) для масштабирования выходных сигналов различных датчиков в диапазоне полной шкалы АЦП. С помощью преобразователя частоты дискретизации пользователь может регулировать частоту выходных данных в пределах до 32 kSPS с шагом 15×10-6 отсчетов в секунду. Эта функция позволяет реализовать в системе когерентную выборку при изменении частоты сигнала на 0,01 Гц. AD7770 выпускается в 64-выводном корпусе LFCSP, рабочий температурный диапазон составляет от −40°C до +125°C.

Блок-схема
Основные характеристики:
Разрешение: | 24 бит |
Количество каналов: | 8 |
Частота дискретизации: | 32 kS/s |
Тип интерфейса: | SPI |
Напряжение питания: | 3.6 В |
Максимальная рабочая температура: | От -40°C до + 125°C |
DNL - дифференциальная нелинейность: | 1 LSB |
INL - интегральная нелинейность: | 1.5 LSB |
SINAD - отношение сигнала к шуму и искажениям: | 106 дБ |
SFDR - динамический диапазон без паразитных составляющих: | 132 дБ |
Корпус: | LFCSP-64 |
Области применения:
- Системы сбора данных
- Системы промышленного контроля
- Защитные реле
Заказать образцы AD7770 и получить более подробную техническую информацию можно, обратившись в любой из офисов компании ЭЛТЕХ или по электронной почте.
Ознакомиться с полным ассортиментом аналого-цифровых преобразователей Вы можете на сайте компании ЭЛТЕХ
Источник: www.eltechspb.by
