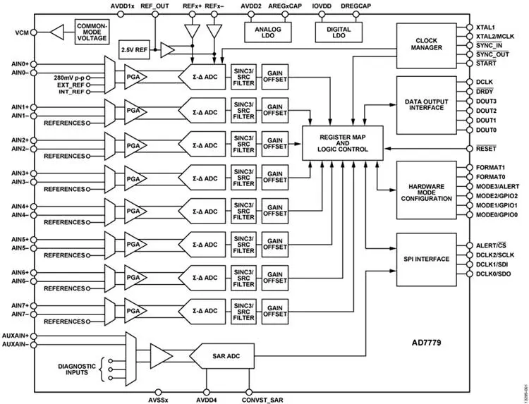
Компания ЭЛТЕХ предлагает AD7779 - восьмиканальный сигма-дельта АЦП с одновременной выборкой. Каждый канал AD7779 имеет максимальную частоту дискретизации 16 kS/s, содержит программируемый усилитель (PGA) с высокоимпедансным входом и преобразователь частоты дискретизации с малой задержкой. Благодаря высокому входному импедансу АЦП можно подключать непосредственно к выходам датчиков. Для того чтобы выходные напряжения различных датчиков более точно укладывались в диапазон полной шкалы АЦП, программируемому усилителю можно задать одно из четырех возможных значений коэффициента усиления (1,2,4,8). AD7779 выпускается в 64-выводном корпусе LQFP и работает в промышленном диапазоне температур от −40° C до +125° C.

Блок-схема
Основные характеристики:
Разрядность | 24 бит |
Количество каналов | 8 |
Частота дискретизации | 16 kS/s |
Интерфейс | SPI |
Напряжение питания | 1,65 В, 3,3 В |
Рабочий температурный диапазон | От -40°C до + 125°C |
Дифференциальная нелинейность (DNL) | 1 LSB |
Интегральная нелинейность (INL) | 1,5 LSB |
Отношение сигнала к шуму и искажениям (SINAD) | 106 дБ |
Динамический диапазон без паразитных составляющих (SFDR) | 132 дБ |
Корпус | LFCSP-64 |
Области применения:
- Системы сбора данных
- Системы промышленного контроля
Заказать образцы AD7779 и получить более подробную техническую информацию можно, обратившись в любой из офисов компании ЭЛТЕХ или по электронной почте. Ознакомиться с полным ассортиментом аналого-цифровых преобразователей Вы можете на сайте компании ЭЛТЕХ.
Источник: www.eltechspb.by
