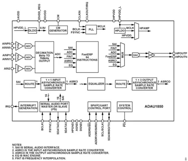
ADAU1850 – это кодек с тремя входами и одним выходом, который содержит один цифровой сигнальный процессор (ЦСП). Тракт от аналогового входа до ядра ЦСП и аналогового выхода оптимизирован с точки зрения малой задержки и идеально подходят для наушников с шумоподавлением. Для реализации полнофункционального решения на базе ADAU1850 достаточно добавить лишь нескольких пассивных компонентов.
ADAU1850 поставляется в компактном 28-контактном корпусе типа WLCSP (корпус на базе подложки кристалла) размером 2,957 × 1,757 мм.

ADAU1850
Технические характеристики:
- Программируемое ядро обработки аудиосигналов FastDSP
- Частота выборки до 768 кГц
- Биквадратные фильтры, ограничители, регулировка громкости, микширование
- 24-битные АЦП и ЦАП с малой задержкой преобразования
- Отношение сигнал/шум 106 дБ (при прохождении сигнала через АЦП с фильтром А-взвешивания)
- Комбинированное отношение сигнал/шум 110 дБ (при прохождении сигнала через ЦАП и наушники с фильтром А-взвешивания)
- Частота синхронизации последовательного порта от 8 кГц до 768 кГц
- Групповая задержка 5 мкс между аналоговым входом и выходом
- Программируемый блок MAC с удвоенной точностью для 13-полосного эквалайзера
- 3 аналоговых входа (2 дифференциальных и 1 несимметричный), конфигурируемые как микрофонные или линейные входы
- Аналоговый дифференциальный аудиовыход, конфигурируемый как линейный выход или драйвер наушников
- ФАПЧ, поддерживающая любую входную частоту от 30 кГц до 27 МГц
- Асинхронные преобразователи частоты дискретизации: одноканальный входной (ASRCI) и трехканальный выходной (ASRCO)
- Последовательные аудио порты с поддержкой I2S, выравнивание по левому краю, или 16-канальный TDM (TDM16)
- 2 интерполятора и 4 прореживателя (дециматора) с гибкой маршрутизацией
- Источники питания
- Напряжение питания аналоговых цепей (AVDD), типовое значение 1,8 В
- Напряжение питания цифровых входов/выходов (IOVDD), типовое значение от 1,8 до 3,3 В
- Напряжение питания наушников (HPVDD), типовое значение 1,8 В
- Напряжение питания усилителя наушников (HPVDD_L), типовое значение от 1,2 В до 1,8 В
- Интерфейсы управления/передачи данных I2C, SPI или UART
- 28-контактный WLCSP-корпус с шагом контактов 0,4 мм размером 2,957 мм x 1,757 м
Области применения
- Гарнитуры и наушники с шумоподавлением
- Bluetooth-гарнитуры и наушники с активным шумоподавлением (ANC)
- Персональные навигационные устройства
- Цифровые фото- и видеокамеры
- Процессоры эффектов музыкальных инструментов
- Мультимедийные акустические системы
Источник: www.eltech.spb.ru
