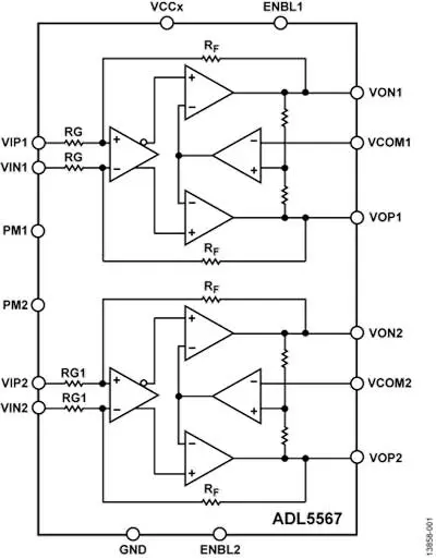
Компания ЭЛТЕХ предлагает ADL5567 – двухканальный дифференциальный усилитель, который оптимизирован для работы с сигналами промежуточной частоты и сигналами в полосе модулирующих частот.
Благодаря низкому уровню шумов (1,29 нВ/√Гц) и хорошим показателям искажений в широкой полосе частот, усилитель ADL5567 идеально подходит для применения в качестве драйвера для быстродействующих 16-разрядных АЦП.
Коэффициент усиления ADL5567 равен 20 дБ, а для конфигурации с несимметричным входом – 18 дБ. Добавление двух внешних резисторов на каждый канал усилителя позволяет устанавливать любой коэффициент усиления в диапазоне от 0 дБ до 20 дБ для дифференциального входа и от 0 дБ до 18 дБ для несимметричного входа.
ADL5567 выпускается в компактном 24-выводном корпусе LFCSP с габаритами 4 мм × 4 мм и работает в температурном диапазоне от −40°C до +85°C.

ADL5567
Основные характеристики:
- Коэффициент усиления: 20 дБ (может быть уменьшен при помощи внешних резисторов)
- Полоса пропускания по уровню −3 дБ: 4,3 ГГц
- Входное дифференциальное сопротивление: 100 Ом
- Выходное дифференциальное сопротивление: 10 Ом
- OIP3 при 200 МГц: 49 дБм
- NF при 200 МГц: 6,8 дБ
- Максимальный потребляемый ток:
- - в режиме высокой производительности (HP): 160 мА
- - в режиме низкой мощности (LP): 85 мА
- -в режиме ожидания: 9 мА
- Межканальное рассогласование коэффициентов усиления: 0,04 дБ на 500 МГц
- Межканальное рассогласование фазы: 0,6° на 500 МГц
- Коэффициент шума входного каскада: 7,4 дБ на 500 МГц
- Напряжение питания: 3,3 – 5,2 В
Области применения:
- Дифференциальные драйверы АЦП
- Преобразование несимметричных сигналов в дифференциальные
- Каскады усиления ВЧ/ПЧ
- Интерфейс с фильтрами на ПАВ
Заказать образцы ADL5567 и получить более подробную техническую информацию можно, обратившись в любой из офисов компании ЭЛТЕХ или по электронной почте.
Источник: www.eltechspb.by
