Типичная схема подключения выхода радиочастотного приемопередатчика предусматривает пассивную высокочастотную цепочку согласования с антенной из нескольких дискретных компонентов. Это усложняет схему изделия, увеличивает габариты печатной платы, повышает стоимость монтажа и логистики компонентов.
При проектировании радиочастотных устройств Bluetooth Low Energy на компонентах STMicroelectronics можно использовать миниатюрный интегральный балун BALF-NRG-01D3, который заменяет до 10 дискретнтых LC-компонентов.
Балун BALF-NRG-01D3 предназначен для совместной работы с чипами BLUENRGQTR, BLUENRG-MSCSP, BLUENRG-MSQTR и BLUENRG-132. При его использовании схема высокочастотной части изделия существенно упрощается, при этом уменьшается и площадь печатной платы.

Блок-диаграмма балуна BALF-NRG-01D3
Балун BALF-NRG-01D3 изготавливается по уникальной технологии путем нанесения на стеклянную подложку миниатюрных конденсаторов и индуктивностей. Рабочий частотный диапазон 2400 – 2500 МГц, размер чипа 1,4 x 0,85 мм.

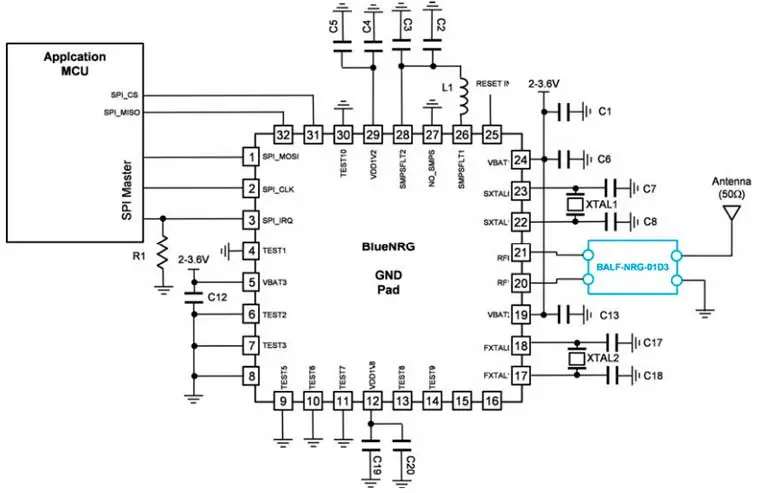
Схема подключения балуна BALF-NRG-01D3
Особенности BALF-NRG-01D3
- Нессиметричный выход Zant = 50 Ом
- Входной импеданс соответсвует чипам семейства BLUENRG
- Низкие вносимые потери -1,1 дБ
- Низкий дисбаланс по амплитуде (0,5 дБ) и фазе (7°)
- Высота корпуса < 670 µm
- Высокие радиочастотные параметры
Источник: www.compel.ru
