Таймеры применяют в случаях, когда необходимо установить определенный временной интервал и управлять одним или несколькими выходными контактами в соответствии со встроенным алгоритмом и заданным интервалом времени. То есть, в заранее заданный момент выдается сигнал на включение или выключение силовых контактов, что, соответственно, приводит к пуску или остановке оборудования.
Компания Finder выпускает несколько видов таймеров как для бытового, так и для промышленного оборудования, воплощающих в себе современные технологии и позволяющих достигать высокой степени точности и безотказной работы.
Описание таймеров 85 серии:
- три модели:
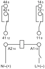
- 8502 (850282400000) – два силовых ереключающих контакта на 10А,
- 8503 (850300240000) – три на 10А,
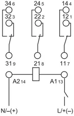
- 8504 (850482400000) – четыре на 7А;
- миниатюрные размеры и квадратное сечение 20×20 мм;
- номинальное напряжение: 12..110 В AC/DC, 220 В AC;
- монтаж в щит на 35 мм дин-рейку с помощью розетки серии 94
- семь временных диапазонов 0.05 сек…100 часов, задаваемых с помощью трех переключателей;
- четыре режима работы: задержка включения (AI), с интервалом (DI), импульсный с задержкой (GI), симметричный повтор цикла (SW), задаваемые с помощью двух переключателей.
DIP перекл. | Схема работы |
![]() |
Задержка включения |
![]() |
С интервалом |
![]() |
Импульсный с задержкой |
![]() |
Симметричный повтор цикла |
Схемы подключения:
85.02 85.03 85.04

Расшифровка наименования
Источник: www.compel.ru








