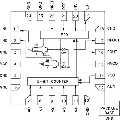
Компания ЭЛТЕХ предлагает HMC4069 - cинтезатор с целочисленным коэффициентом деления, содержащий интегрированные цифровой фазочастотный детектор с диапазоном рабочих частот от 10 до 1300 МГц и пятиразрядный счетчик с диапазоном рабочих частот от 10 до 2900 МГц. Он предназначен для использования в блоках синтезаторов сетки частот с низким фазовым шумом в измерительной и авиационно-космической/оборонной технике.
Благодаря комбинации высокой частоты входного сигнала и низкого порога остаточного фазового шума компонент может использоваться для построения высококачественных синтезаторов с целочисленным коэффициентом деления, работающих с широкой полосой контура и малым значением делителя, которые обеспечивают быструю перестройку частоты. HMC4069 выпускается в 24-контактном корпусе QFN (4 мм × 4 мм) с открытой площадкой заземления, обеспечивающей улучшенные тепловые показатели и характеристики радиосигнала. Работает в промышленном температурном диапазоне от −40° C до +85° C.

HMC4069
Основные параметры:
Диапазон частот фазочастотного детектора | От 10 МГц до 1,3 ГГц |
Диапазон частот счётчика | От 10 МГц до 2,9 ГГц |
Напряжение питания | От 4,75 В до 5,25 В |
Максимальная рабочая температура | −40°C до +85°C |
Корпус | QFN-24 |
Области применения:
- Спутниковые системы
- Радиопередатчики точка-точка
- Генераторы тактовой частоты систем с синхронной цифровой иерархией (SONET)
Получить более подробную техническую информацию можно, обратившись в любой из офисов компании ЭЛТЕХ или по электронной почте.
Источник: www.eltechspb.by
