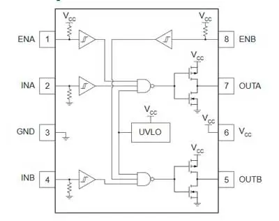
Компания ЭЛТЕХ, официальный дистрибьютор корпорации IXYS, предлагает IX4340 – двухканальный драйвер нижнего плеча, предназначенный для управления MOSFET и IGBT транзисторами. IX4340 имеет два выхода работающими с входным и выходным токами до 5 А, при максимальном напряжением до 20 В. Благодаря согласованной задержке распространения, выходы могут быть включены параллельно для работы с более высокими токами.
Управляющие входы работают со стандартными уровнями CMOS/TTL-логики, и предоставляют возможность разрешать/запрещать работу каждого выхода по отдельности. Схема блокировки при снижения питающего напряжения предотвращает включение драйвера до установки требуемого уровня напряжения питания.


IX4340
Благодаря малому времени задержки распространения и времени спада/нарастания фронта выходного напряжения IX4340 подходит для применения в устройствах, требующих коммутации с высокой частотой.
Основные характеристики
- Ток канала до 5 А
- CMOS/TTL совместимые входы
- Напряжение питания от 5 В до 20 В
- Расширенный температурный диапазон от -40 °C до +125 °C
- Защита от электростатики +/-4КВ
- Корпус SOIC-8
- Блокировка при снижения питающего напряжения
- Время задержки распространения фронта напряжения 16 нс
- Время спада/нарастания фронта напряжения 7 нс
Области применения IX4340
- Импульсные источники питания
- DC-DC преобразователи
- Управление двигателями
- Инверторы напряжения
Заказать образцы IxysIX4340 и получить более подробную техническую информацию можно, обратившись в любой из офисов компании ЭЛТЕХ или по электронной почте.
Источник: www.eltechspb.by
