Компания Geyer расширила семейство кварцевых резонаторов для поверхностного монтажа с частотой 32.768 кГц, добавив в свою линейку миниатюрные резонаторы KX-327FT.
Корпус KX-327FT имеет габариты 1.6×1.0 мм и сверхнизкий профиль, не превышающий 0.5 мм. Такие размеры являются одними из самых компактных на рынке 32.768 кГц кварцевых резонаторов и позволяют применять данные резонаторы в приложениях, предъявляющих самые жесткие требования к компактности и плотности монтажа печатной платы, таких как: устройства медицинской диагностики, мобильная аппаратура, оборудование беспроводной связи, современные карты доступа.

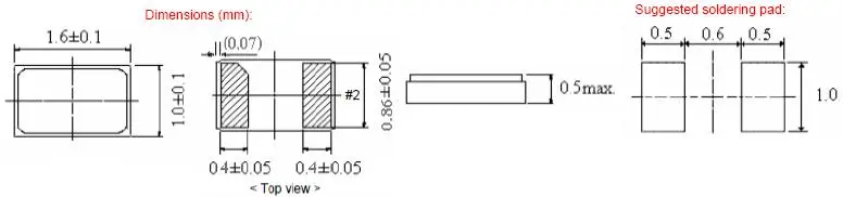
Габаритные размеры корпуса и посадочного места KX-327FT
Кварцевые резонаторы KX-327FT адаптированы под расширенный температурный диапазон промышленного применения -40…85°C и имеют превосходные технические характеристики. В стандартном исполнении, при температуре +25°C точность настройки частоты составляет ±20 ppm (с возможностью заказа версий с точностью ±10 ppm), температурная нестабильность частоты в рабочем диапазоне составляет 0.03 ppm ±0.01/°C² а долговременная нестабильность ("старение") не превышает ±5 ppm/год. Изделие соответствует требованиям директивы RoHS.
Технические характеристики
Номинальная частота: 32.768 кГц
Рабочий диапазон температур: -40…85°C
Точность настройки частоты (при t=25°С): ±20 ppm (стандарт)
Изменение частоты в интервале рабочих температур: -0.03 ppm ±0,01/°C²
Долговременное изменение частоты (за первый год): ±5 ppm
Нагрузочная емкость: 12.5 пФ
Шунтирующая емкость: 7 пФ
Динамическое сопротивление: 60 кОм
Размеры ДхШхВ: 1.6х1.0х0.5 мм
Источник: compel.ru
