Компания STMicrolectronics представляет понижающие DC/DC преобразователи со встроенным ключом – L7987 и L7987L. Особенностью этих микросхем является встроенный регулируемый ограничитель выходного тока.
Диапазон выходного напряжения может быть в пределах от 0.8 до 61 В, выходной ток до 3 А (L7987) и до 2 А (L7987L), а широкий диапазон входных напряжений от 4.5 В до 61 В позволяет использовать данную микросхему в индустриальных системах, автомобильной промышленности и системах безопасности.
Для повышения эффективности работы введено специальное управление (VBIAS), которое позволяет эффективно работать преобразователю при малых нагрузках. Микросхемы также имеют входы управления: ENABLE – отключение микросхемы и SoftStart (SS) – мягкое включение.
Дополнительное управление внутренним генератором микросхемы через входы FSW и SYNCH позволяет создавать системы с минимальным шумом и пульсацией выходного напряжения.

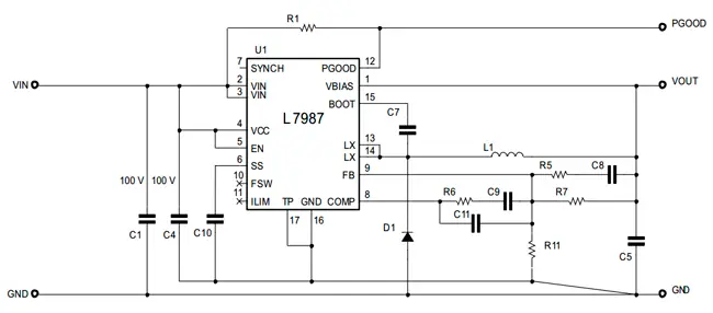
Схема включения L7987
Технические характеристики
- Выходной ток: до 2 А для L7987L, до 3 А для L7987;
- Широкий входной диапазон напряжений: 4.5…61 В;
- Сопротивление встроенного ключа Rdc(on): 300 мОм (L7987L) и 250 мОм(L7987);
- Подстройка частоты переключения Fsw: 250 кГц…1.5 МГц;
- Низкое собственное потребление в режиме SHD: 11 мкА;
- Низкое собственное потребление в отсутствии нагрузки: 1 мА;
- Регулируемое выходное напряжение в диапазоне: 0.8…61 В;
- Возможность внешней синхронизации;
- Регулируемое время SoftStart;
- Регулировка выходного тока (режим ограничения);
- Управление КПД при малых токах потребления нагрузкой;
- Сигнализирующий выход PGood;
- Сканирование выходного напряжения;
- Встроенная защита от короткого замыкания;
- Встроенная температурная защита.
Источник: www.compel.ru
