Измерение индуктивности – это недорогая бесконтактная технология, позволяющая детектировать наличие металлических предметов и определять расстояние до них. С помощью измерения индуктивности можно с высоким разрешением определять положение токопроводящих предметов даже в условиях особой запыленности и влажности.
LDC1051 – это новый цифровой измеритель от Texas Instruments, предназначенный для применения в индуктивных датчиках. LDC1051 измеряет эквивалентное параллельное сопротивление (Rp) LC-контура, в составе которого находится измерительная катушка индуктивности. Измерение выполняется с помощью регулирования амплитуды колебаний и измерением рассеиваемой в контуре энергии.

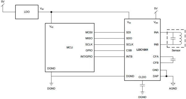
Схема применения LDC1051
LDC1051 поддерживает различные конфигурации LC-контура с резонансными частотами от 5 кГц до 5 МГц и с эквивалентным параллельным сопротивлением от 798 Ом до 3.93 кОм.
Встроенный компаратор с гистерезисом содержит два специальных регистра, в которые прописываются максимальное и минимальное пороговые значения Rp. Полученное блоком измерителя значение Rp сравнивается c содержимым данных регистров, а результат сравнения определяет состояние вывода INTB. Вывод INTB может быть настроен на один из трех режимов работы по стандартному 4х-проводному интерфейсу SPI.

Зависимость измеренного Rp от расстояния для печатной индуктивности диаметром 14 мм
LDC1051 содержит отдельные выводы для питания аналоговой и цифровой части. Аналоговая часть питается от 5 В, а цифровая в диапазоне 1.8…5 В. Встроенный LDO-регулятор требует установки внешнего конденсатора 56 нФ на выводе CLDO.
LDC1051 измеряет только эквивалентное параллельное сопротивление Rp с разрешением 8-бит и совместим с измерителями LDC1000 (16-бит Rp/24-бит L) и с LDC1041 (8-бит Rp/24-бит L).
Для облегчения процесса разработки на базе любого устройства семейства LDC Texas Instruments предоставляет калькулятор параметров для LDC, который поможет рассчитать такие параметры как: максимальная дальность, частота измерений, параметры контура, размеры печатной катушки индуктивности и другие.
Для прототипирования и оценки параметров доступна отладочная плата LDC1051EVM.

Отладочная плата LDC1051EVM
Основные параметры LDC1051
- Измеряемый параметр Rp – эквивалентное параллельное сопротивление;
- Разрядность: 8-бит;
- Диапазон измеряемого параметра: 798…3930 Ом;
- Диапазон частот подключаемого LC-контура: 5кГц…5 МГц;
- Температурный диапазон: -40…125ºС;
- Тип корпуса: 16WSON.
Источник: www.compel.ru
