Компания RECOM представляет новинку – малогабаритный DC/DC-конвертер серии REC8E мощностью 8 Вт в компактном герметизированном корпусе размерами 25,4 х 25,4 х 10,5 мм.
Новый конвертер предназначен прежде всего для использования в системах с питанием от автомобильного аккумулятора. Поэтому диапазоны входных напряжений конвертеров этой серии перекрывают с большим запасом все стандартные значения напряжений аккумуляторов, используемых в автомобильной промышленности в настоящее время: 9 … 18 В для аккумуляторов на 12 В, 18 … 36 В для аккумуляторов на 24 В и 20 … 60 В для 48-вольтовых (в полном соответствии со стандартом LV 148 для Li-Ion аккумуляторов на 48 В в транспортных приложениях).
Выходные напряжения представлены рядом фиксированных значений в одно- и двухполярных вариантах: 5, 9, 12, 15, 24, ±12 и ±15 В. Все выходы снабжены защитой от коротких замыканий и перегрузок по току. Защита от КЗ срабатывает, когда сопротивление нагрузки становится ниже 100 мОм. Схема защиты от перегрузок по току включается, когда значение выходного тока превышает 120 % от максимального.
Кроме этого, конвертеры REC8E снабжены функцией отключения при снижении входного напряжения ниже допустимого уровня (UVLO – Under Voltage Lockout), что предполагает глубокий разряд аккумулятора. Пороговое значение, при котором происходит срабатывание схемы отключения, определяется нижней границей диапазона входных напряжений. Также предусмотрена функция включения/выключения (CTRL – Control ON/OFF). Если вывод CTRL замкнут на землю или напряжение на нем составляет менее 1,2 В – конвертер выключен, если же этот вывод открыт или на него подается напряжение от 3 до 12 В – конвертер в рабочем состоянии.
Основные технические параметры конвертеров отражены в их названиях. Структура наименования конвертеров серии REC8E приведена на рисунке 1.

Рис. 1. Структура наименования конвертеров серии REC8E
КПД конвертеров REC8E – не менее 83%, отклонение выходного напряжения от номинального значения не превышает 1%, изменение напряжения на выходе при полной нагрузке во всем диапазоне входных напряжений – не более 0,4%, а при изменении нагрузки в пределах от 10 до 100% напряжение на выходе изменяется не более чем на 0,5%.
Конвертеры предназначены для работы в суровых условиях эксплуатации. Диапазон рабочих температур составляет от -40 до 75°C, температура корпуса может достигать 95°C. Гарантируется нормальная работа приборов на высоте до 5000 метров над уровнем моря и при влажности от 5 до 95%. По уровню вибраций приборы соответствуют стандарту MIL-STD-202G. Прочность изоляции составляет не менее 1,6 кВ, сопротивление изоляции – более 1 ГОм.
Все приборы серии REC8E сертифицированы на соответствие стандартам UL/EN/IEC 62368-1.
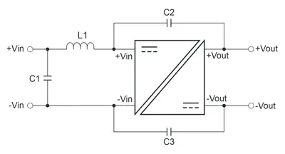
Для обеспечения электромагнитной совместимости по стандарту EN55032 рекомендуется применять простую схему фильтрации, изображенную на рисунке 2.

Рис. 2. Схема фильтрации для соответствия стандарту EN55032
Электрические характеристики компонентов схемы на рисунке 2 зависят от конкретной модели конвертера и ее соответствия классу по электромагнитной эмиссии – A или B, определенному в стандарте EN55032. Эти характеристики приведены в технической документации на серию REC8E.
Конвертеры данной серии отличаются высокой надежностью. Типовое время наработки на отказ (MTBF – Mean time between failures) в соответствии со стандартом MIL-HDBK-217F при температуре 25°C составляет 1532000 часов.
Благодаря превосходным техническим и эксплуатационным характеристикам, а также высокой степени надежности конвертеры серии REC8E находят применение не только в области автомобильной электроники, но и в любых мобильных приложениях с питанием от аккумулятора, предназначенных для работы в тяжелых условиях эксплуатации.
Источник: www.compel.ru
