Термореле RT-12-16 от известной российской компании Line Energy используется для установки и поддержания необходимой температуры в помещениях методом замыкания/размыкания электрических цепей нагревающих или охлаждающих приборов. Это очень простой и недорогой, но довольно точный вариант управления температурой.
RT-12-16 содержит микропроцессор и цифровой дисплей, обеспечивающие измерение, отображение и установку температуры с дискретностью 0.1 °С в диапазоне от -55 до 125 °С. Гистерезис задается в диапазоне от 0,1 до 75 °С. Реле имеет модульную конструкцию для установки на стандартную 35-мм DIN-рейку (ширина – два стандартных модуля).
Измерение температуры в RT-12-16 происходит с помощью внешнего откалиброванного цифрового датчика (на базе DS18B20), благодаря чему обеспечивается высокая точность измерений с высокой устойчивостью к внешним электромагнитным воздействиям даже на значительном удалении датчика от реле (до 20 м). Датчики температуры покупаются отдельно от реле и выпускаются с различными вариантами длины соединительного кабеля (2.5/5/10/15/20 м) и с двумя вариантами устойчивости к повышенным температурам – термостойкий (до +125°С) и бытовой (до +60°С).
RT-12-16 может контролировать как нагревательные системы, так и охлаждающие. При работе с отоплением нагрузка (тепловая завеса, электрокалорифер, котел) подключается к нормально-разомкнутым контактам реле. Если желаемая температура выше текущей температуры, то контакты реле замыкают управляющую цепь и система отопления начинает свою работу. Температура в помещении повышается. Если текущая температура превысила уставку, то контакты реле размыкаются и температура начинает опускаться.
При управлении охлаждением, нагрузка (чиллер, холодильник, вентилятор) подключается к нормально-закрытым контактам. При установке желаемой температуры выше текущей, контакты реле находятся в разомкнутом состоянии и система охлаждения не работает. Температура в помещении при этом повышается. Когда величина уставки станет ниже текущей температуры, контакты реле замкнутся и помещение начнет охлаждаться.
Схемы подключения
| Схема подключения при P нагрузки < 2.6 кВт | |
Работа в режиме охлаждения
| Работа в режиме нагрева
|
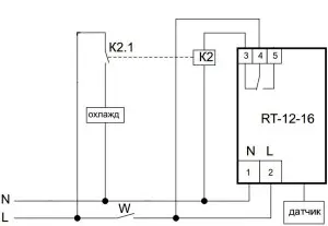
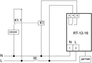
| Схема подключения при P нагрузки > 2.6 кВт | |
Работа в режиме охлаждения
| Работа в режиме нагрева
|
Интерфейс RT-12-16

Основные технические данные:
Диапазон измерения и установки температуры -55…125°С
Задаваемый гистерезис 0.1…75°С
Дискретность отображения и установки температуры в диапазоне:
-9,9°… +99,9°С 0.1°С
-55°…-10°С, 100°…125°С 1°С
Погрешность измерения ±0,5°С
Номинальное напряжение питания 220В (AC, 50Гц)
Максимальная коммутируемая нагрузка до 16А/230В (AC)
Источник: www.compel.ru




