Компания STMicroelectronics расширила линейку автомобильных драйверов двумя новыми семействами устройств, ориентированными на повышение надёжности, защиты и энергоэффективности в современных автомобилях. Интеллектуальный высокосторонний драйвер VNQ9050LAJ предназначен для управления 12-вольтовыми нагрузками, а изолированные драйверы затворов STGAP2SA и STGAP2HSA - для высоковольтных приложений в электромобилях и гибридных автомобилях.

New automotive drivers from STMicroelectronics: VNQ9050LAJ high-side driver and STGAP2 isolated gate drivers
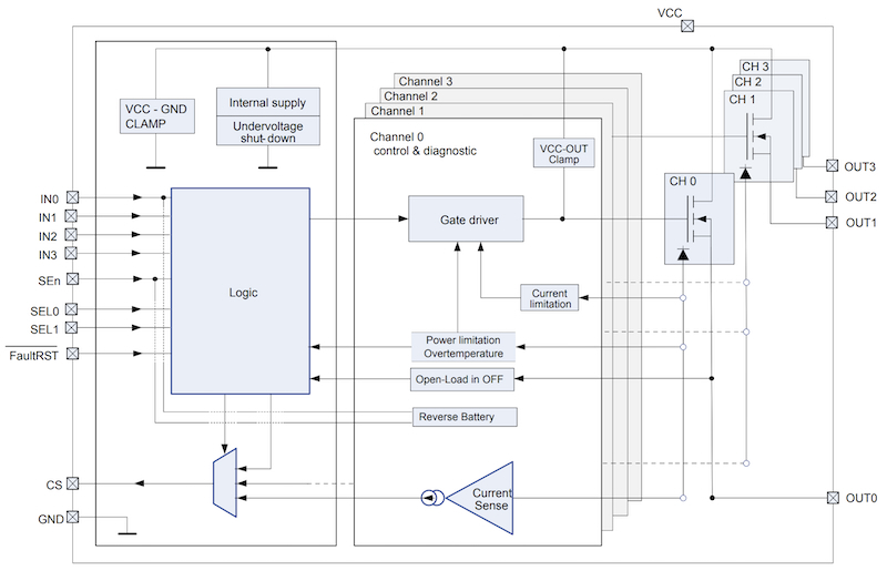
VNQ9050LAJ - интеллектуальный 4-канальный высокосторонний драйвер
VNQ9050LAJ выполнен по технологии VIPower-M09 и оптимизирован для 12-вольтовых систем автомобиля. Драйвер стабильно работает при напряжении от 4 В и выдерживает просадку до 2,7 В при холодном пуске двигателя. Низкое сопротивление открытого канала (всего 50 мОм) обеспечивает высокую энергоэффективность при работе с резистивными, ёмкостными и индуктивными нагрузками.
Устройство оснащено точным измерением тока через встроенный sense FET, расширенной диагностикой и комплексной защитой, соответствующей строгому автомобильному стандарту LV124.

VNQ9050LAJ: intelligent high-side driver with rich diagnostics and protection
STGAP2SA и STGAP2HSA - изолированные драйверы затворов
Изолированные драйверы STGAP2SA и STGAP2HSA имеют квалификацию AEC-Q100 и предназначены для управления IGBT и кремниевыми MOSFET в системах с напряжением до 1200 В. Они обеспечивают ток до 4 А, напряжение управления до 26 В и малую задержку распространения сигнала (~60 нс).
Драйверы отличаются высоким уровнем гальванической изоляции, встроенными функциями безопасности и позволяют повысить частоту коммутации, уменьшив габариты пассивных компонентов и повысив удельную мощность.

STGAP2SA (SO-8) and STGAP2HSA (wide-body SO-8W) isolated gate drivers for EV power electronics
Целевые применения
- VNQ9050LAJ: освещение, насосы, вентиляторы, клапаны и другие 12-вольтовые нагрузки в легковых автомобилях
- STGAP2SA / STGAP2HSA: DC-DC преобразователи, бортовые зарядные устройства, тяговые инверторы, электрические компрессоры, нагреватели и насосы в электромобилях и гибридах
Оба семейства драйверов уже находятся в серийном производстве. Для ускорения разработки доступны оценочные платы.
