TPS79525DCQ – линейный стабилизатор с малым падением напряжения, ультранизким уровнем шума, высоким коэффициентом подавления пульсаций напряжения питания и прекрасными нагрузочными характеристиками. Стабильность микросхемы обеспечивается керамическим конденсатором 1мкФ на выходе. Благодаря передовой BiCMOS-технологии производства, удается добиться падения напряжения на регулирующем элементе 110мВ при токе через него 500мА.
Время выхода стабилизатора на рабочий режим составляет примерно 50мкс (0,001мкФ шунтирующий конденсатор), а собственный ток потребления – 265мкА. В режиме отключения TPS79525 потребляет менее 1мкА.
Отличительные особенности:
выходной ток 500мА;
выходное напряжение 2,5В;
вывод сигнала разрешения;
высокий коэффициент подавления пульсаций напряжения питания PSRR (50дБ на 10кГц);
ультранизкий шум;
малое время выхода на рабочий режим (50мкс);
устойчивость с выходным керамическим конденсатором 1мкФ;
прекрасные нагрузочные характеристики;
малое падение напряжения на регулирующем элементе;
корпус SOT223-6.
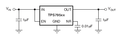
иповая схема включения TPS79525 приведена ниже

Области применения: питание ГУН; РЧ-приемников; АЦП; аудио каскадов; Bluetooth; беспроводные сети; сотовые и беспроводные телефоны; наладонные компьютеры.
Источник: terraelectronica.ru
