TPS82084 – 2-х амперный модуль понижающего преобразователя с небольшими размерами и высокой эффективностью. Модуль состоит из синхронного понижающего преобразователя и встроенной индуктивности, что значительно упрощает разработку, снижает количество внешних компонентов и экономит место на плате.
Для достижения максимальной эффективности преобразователь работает в режиме ШИМ на частоте 2,4 МГц и автоматически переходит в режим сохранения энергии при снижении нагрузки. Ток собственного потребления TPS82084 в режиме сохранения энергии не превышает 17 мкА.
Использование топологии DCS-Control наделяет устройство превосходной переходной характеристикой и возможностью точной регулировкой выходного напряжения. Выводы EN и PG поддерживают последовательное соединение, что придает дополнительную гибкость в конфигурировании системы.

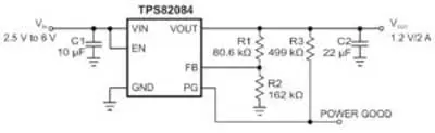
Схема включения TPS82084
Встроенный плавный старт уменьшает пусковые токи от источника. Защита от перегрева и от режима цикличного мерцания делают TPS82084 компонентом, рекомендуемым к применению в устройствах с повышенными требованиями к надежности.
Низкопрофильный корпус TPS82084 подходит для автоматической сборки на стандартном оборудовании для поверхностного монтажа.
Основные сферы применения TPS82084 – устройства с питанием от батарей, схемы питания процессоров и модулей памяти.
У данного устройства существуют аналоги в виде понижающего преобразователя с внешней индуктивностью (TPS62097), а также модуль с выходным током 3 А (TPS82085).
Возможности
- 2 А, MicroSiP низкопрофильный силовой модуль;
- Топология DCS-Control;
- Эффективность до 95%;
- Ток собственного потребления 17 мкА;
- Рабочий температурный диапазон: от -40°C до 125°C;
- Защита от режима цикличного мерцания;
- Диапазон входного напряжения: от 2,5 В до 6 В;
- Среднее выходное напряжение Vin 0,8 В;
- Эффективный режим сохранения энергии при низких нагрузках;
- Выход "power good";
- Встроенный плавный старт;
- Защита от перегрева;
- 8-выводной корпус µSiL 3,0 х 2,8 х 1,3 мм.
Источник: www.compel.ru
