Компания Infineon запустила производство двухканальных драйверов силовых транзисторов в полумостовой схеме. Новые драйверы 2EDL рассчитаны на напряжение смещения до 600 В и сочетают в себе высокую надежность и низкую стоимость.
Межканальная изоляция в драйверах 2EDL реализована по технологии кремний-на-изоляторе (SOI – Silicon-On-Insulator). Благодаря этой технологии, достигается повышенная устойчивость к переходным процессам и электромагнитным помехам, полностью исчезает риск возникновения ложных срабатываний в процессе работы.
Наименование | Выходной ток | Назначение | Задержка (+/-) | Защита от пониженного напряжения (UVLO) | Мертвое время (dead time) | Корпус |
2EDL05I06PF | +0.7 А -0.36 А | IGBT | 420 нс / 400 нс | 12.5 В / 11.6 В | 380 нс | DSO-8 |
2EDL05I06PJ | DSO-14 | |||||
2EDL05N06PF | MOSFET | 310 нс / 300 нс | 9.1 В / 8.3 В | 75 нс | DSO-8 | |
2EDL05N06PJ | DSO-14 |
В 2EDL интегрирован ультрабыстрый диод подкачки для обеспечения питания драйвера "плавающего" верхнего уровня. Выходное напряжение драйвера практически равно напряжению питания (rail-to-rail).

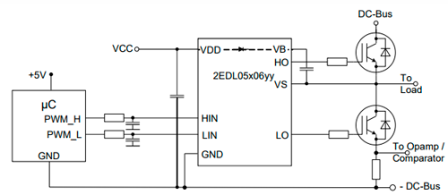
Типовая схема включения драйвера 2EDL
Две версии драйвера с различными порогами срабатывания защиты от пониженного напряжения (UVLO) обеспечивают оптимизацию для работы с MOSFET или IGBT. Встроенная функция блокировки предотвращает одновременное включение выходов верхнего и нижнего плеча (interlocking function).
Драйверы выпускаются в корпусах DSO-8 и в DSO-14 с увеличенной дистанцией утечки тока по поверхности корпуса (Creepage Distance).
Источник: www.compel.ru
