Компания Infineon выпустила новые цифровые DC-DC преобразователи серии IPOL IR38263 и IR38265, с выходным током до 30 А. Преобразователи предназначены для питания ядер высокопроизводительных процессоров и других мощных низковольтных потребителей.
Новые регуляторы комбинируют простоту использования, высокую интеграцию и возможность полной конфигурации по интерфейсу fast I²C или PMBus. Благодаря последним достижениям в технологиях низковольтных MOSFET, компании Infineon удалось реализовать достаточно мощный DC-DC с выходным током до 30 А в малом корпусе PQFN-24 (5×7 мм).
Наличие цифрового интерфейса делает данное решение действительно гибким. Все основные параметры (частота коммутации, выходное напряжение, пороги срабатывания защит) можно настроить с помощью цифрового хост-контроллера. По цифровому интерфейсу можно считать значения входного и выходного напряжения, выходного тока и температуры.
Технические параметры
- диапазон входных напряжений: 5.5…16 В (1.5…16 В с внешним питанием Vcc);
- выходное напряжение настраивается от 0.5 В до 87,5% от Vin;
- номинальный выходной ток достигает 30 А;
- частота преобразования настраивается в диапазоне 150…1500 кГц;
- КПД до 96%;
- алгоритм управления Voltage Mode (VM Engine Gen3™) позволяет быстро отрабатывать изменения нагрузки;
- настройка выходного напряжения с помощью 3-х цифровых входов PVID;
- возможность настройки параметров через интерфейс fast I²C (IR38265) или PMBus (IR38263);
- возможность считывания значений выходного напряжения и тока нагрузки с помощью цифрового интерфейса I²C/PMBus;
- диапазон рабочих температур –40°С…+125°С;
- корпус PQFN-24 размером 5х7 мм.

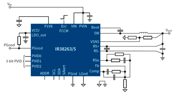
Типовая схема включения IR38263/5

График КПД в зависимости от нагрузки для IR38263/5 (вход 12 В, частота 600 кГц)
Источник: www.compel.ru
