Малверн, Пенсильвания - 28 января 2026 г. - Компания Vishay Intertechnology, Inc. (NYSE: VSH) объявила о выпуске пяти новых силовых модулей на кремний-карбидных (SiC) MOSFET с напряжением 1200 В, предназначенных для повышения энергоэффективности в приложениях средней и высокой частоты в автомобильной, энергетической, промышленной и телекоммуникационной отраслях.

силовой модуль Vishay SiC MOSFET в корпусе SOT-227]
Новые устройства Vishay Semiconductors - VS-SF50LA120, VS-SF50SA120, VS-SF100SA120, VS-SF150SA120 и VS-SF200SA120 - построены на новейшей технологии SiC MOSFET с интегрированным мягким обратным диодом. Это позволяет существенно снизить потери на обратное восстановление и обеспечить более быстрое и эффективное переключение.
Основные характеристики и преимущества
- Номинальное напряжение: 1200 В (VDSS)
- Непрерывный ток стока: от 50 А до 200 А
- Низкое сопротивление в открытом состоянии (RDS(on)): до 12,1 мОм (для версии 200 А)
- Максимальная температура перехода: +175 °C
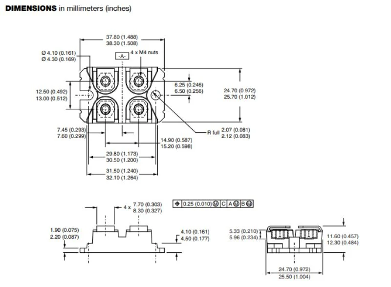
- Стандартный корпус SOT-227 для прямой замены
- Электрическая изоляция до 2500 В в течение 1 минуты
- Конфигурации: одиночный ключ или низковольтный чоппер
Модули помогают минимизировать потери на проводимость и переключение, уменьшить требования к радиаторам и работать на более высоких частотах - что приводит к уменьшению габаритов магнитных элементов, упрощению охлаждения и общему росту КПД системы.

таблица характеристик серии VS-SF модулей]
Целевые применения
Устройства идеально подходят для:
- DC/DC-преобразователей и внешних зарядных устройств для электромобилей
- Солнечных инверторов и энергетических систем
- Импульсных источников питания (SMPS)
- Систем бесперебойного питания (ИБП) и приводов HVAC
- Систем накопления энергии на батареях и телекоммуникационных блоков питания
Модули выполнены в RoHS-совместимых литых корпусах SOT-227 и служат удобной заменой существующим решениям без необходимости изменения разводки печатной платы, позволяя легко перейти на передовую технологию SiC.
_SOT-227.webp)
модуль SiC в применении или детальный вид]
Образцы и серийное производство доступны уже сейчас, сроки поставки - 13 недель.
